XZ系列遮断信号

XZ系列遮断信号机XZ-1XZ-2XZ-3三个型号。按铁路技术规程规定,在有可能出现塌方、落石,桥梁,重要的道口应设遮断信号机进行防护。XZ-1使用双丝信号灯泡的传统信号机,在出现问题威胁行车安全时显示红灯,正常情况灯灭。XZ-2型是使用LED信号灯的信号机,显示与XZ-1型相同XZ-3型是使用LED双色信号灯的信号机,放行时显示绿灯,禁止时显示红灯,防止故障时冒进。

XZ-1型遮断信号机

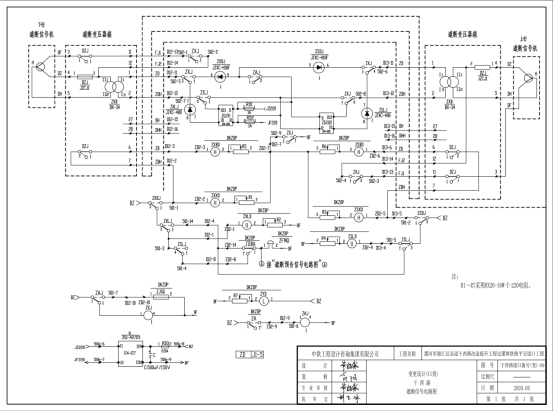
本遮断信号控制箱以铁路道口应用为主,根据道口技术条件进行了精简优化。配用传统直丝信号灯泡的遮断信号机,设计中参考并借鉴了以下电路图,右边是控制箱。

 

控制箱囊括除上、下行遮断信号机和遮断变压器箱以外的其它部分。可以控制两个遮断信号机,共用一套报警音响系统,音量旋钮控制警示音量。

XZ-2型遮断信号机

遮断信号机自成一个小系统,不会影响电器集中的工作,不妨使用LED信号灯和与之配套的控制电路。本型号就是XZ-1型的LED化,使用下图所示的控制箱和信号灯:

 

XZ-3型遮断信号机

单灯双色显示,并可与道口信号机联锁。道口信号机显示白灯时,遮断信号机显示蓝灯或红灯;道口信号机显示红灯时,遮断信号机显示白灯或绿灯;道口信号机灭灯时,遮断信号机灭灯。

避免道口无人值守,或者道口设备不完备(如可能停电),设备故障等原因致使遮断信号机灭灯时,乘务员就可能把道口的故障状态当作道口对公路已封闭的状态通过道口。

主要技术参数:

外形尺寸,长400毫米,高250毫米,厚150毫米。

安装孔距,长333毫米,高297毫米。孔型20毫米长,9毫米宽。

备品备件:

1、2A保险管2个。2、箱门钥匙1个。3、控制箱固定用膨胀螺丝4条。5、说明书一份。

返回:铁路电器铁路信号新产品产品索引

上次更新时间:2025-03-16 网站地图